
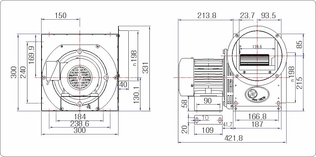
| 모델 Model |
전원 Source (V, Hz) |
날개크기 Impeller Size (mm) |
전류 Current (A) |
극수 Pole (P) |
입력 Input (W) |
최대풍량 Air Volume (㎥/h) |
최대정압 Air Pressure |
회전수 Rated Speed (rpm) |
중량 Weight (Kg) |
|
| (mmAq) | (Pa) | |||||||||
| TIS-F190FS | 220V ~, 60 | Ø180×110T | 1.50 | 4 | 330 | 1,520 | 36 | 353 | 1,530 | 14.0 |
| 220V ~, 50 | 1.74 | 270 | 1,270 | 24 | 235 | 1,410 | ||||
| T1S-F190FT |
220-380V 3~, 60 |
Ø180×110T | 1.4-0.6 | 4 | 270 | 1,520 | 36 | 353 | 1,510 | 14.0 |
| 220-380V 3~, 50 |
1.5-0.75 | 220 | 1,270 | 24 | 235 | 1,390 | ||||

